
简要描述:mart1 先进的AFM技术GC Smart搭载AFM技术,压力/流量可数字显示,自动计算流量比和分流比,飞跃提升分析效率,大大改善用户体验。自动计算气体流量和
新闻中心
mart1 先进的AFM技术
GC Smart搭载AFM技术,压力/流量可数字显示,自动计算流量比和分流比,
自动计算气体流量和压力,操作更便捷
简化了繁琐的手动气路调节,更省去流量计的使用,使色谱条件的设置更易于操作,简单易上手。
人性化的柱保护功能,使用更安心
当无载气或载气流量过低时,AFM会自动降低柱温箱温度,同时停止TCD等检测器的加热,防止色谱柱及TCD灯丝的损坏,保证仪器长期稳定运行。
搭载全中文大液晶屏,显示更直观
所有参数可通过全中文显示的大液晶显示屏直接设置。图解式的显示使显示分析条件设置更为直观简便。同时支持对进样口、柱温箱、检测器的实时监控,以便实时观测所得到的色谱图。
AFM技术是什么?
AFM技术通过电子传感器,自动计算流量和分流比。迈入手动调节机型的数码化新时代。
多台通用性
仪器持久的稳定性与耐用性,加之使用了AFM技术,可保证不同仪器之间设定相同的流量参数和温度条件,不受时间空间限制。只要使用同一种色谱柱,测定同一样品,则在多台设备上均可得到几乎相同的色谱图和相近的定量结果。
自动测量检测器气体
FID等检测器的气体流量由APM(Advanced Pressure Monitoring)技术自动测量。APM是由压力传感器、阻尼管等构成,通过压力传感器监控检测器调压阀的控制压力,根据监控的压力值以及阻尼管的电阻值得到流量。
Smart2 全自动精确的分析
自动进样器AOC-20i
AOC-20i提供高可靠性的进样操作。同时在设计方面巧妙地避免了针弯曲、样品挥发等现象,保证获得高精度的分析数据。GC Smart在设计时已考虑到用户未来升级自动进样的需求,便将AOC电源内置GC主机中。用户只需购买岛津AOC-20i进样装置部分,即可轻松升级。
先进的重现性
通过GC Smart和AOC-20i的结合,实现了先进的分析重现性,可以持续发挥长期稳定的性能。
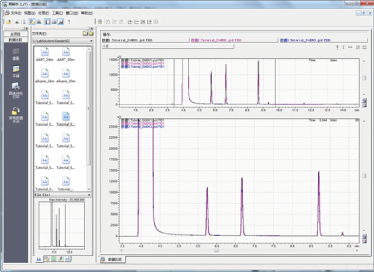
多次测试时的稳定性
GC Smart 对正构烷烃标样进行连续上百次分析,结果表明保留时间和峰面积数据高度重现,也充分说明 GC Smart长期连续运行仍能得到更准确、优质的分析结果,适合大样品量、长时间运行的检测工作。
人性化的工业设计
Smart3 一目了然的操作界面
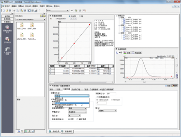
LabSolutions LE,一目了然的操作界面
专用数据处理平台LabSolutions LE采用新型Windows技术,一目了然的操作界面,用户操作得心应手。
LabSolutions LE可同时控制2台GC Smart,最多可以注册16台仪器。
操作简便的[辅助栏]和[数据浏览器]功能 | 使连续分析简便易行的[批处理表向导]功能 | |
·[辅助栏]引导操作。初学者只要按顺序点击图标,即可轻 | ·利用向导功能轻松制作用于多样品连续分析的批处理表。 |
数据解析/报告制作
·进一步充实了定性、定量、数据比较和报告生成等诸多功能。
![]() | 丰富的[定性、定量]功能 · 支持外标法、内标法等6 种定量方法,直线、折线、指数计算等 |
灵活的[数据比较]功能 ·最多可显示和比较16张色谱图。便于与之前取得的数据相比较, | ![]() |
支持GC Smart自检的[有效性支持]功能 ·具有仪器自检功能,可以定期检查GC状态,保证分析正常进行。 | 自由的[报告制作]功能 ·报告制作随心所欲。 可针对工作流程设定优质的软件操作界面 ·主登录窗口中的系统选择菜单、辅助栏、工具栏和应用窗口 |
Smart4 LAN连接功能实现了远程控制
新搭载的LAN 连接功能实现了远程控制
LAN 连接功能,通过Ethernet 可以实现仪器远程控制和数据采集/ 保存,以及打印机与硬盘等附属设备之间的共享。
强扩展性,灵活应对不同分析需求
GC Smart采用丰富多彩的进样单元以及小型、高灵敏度的检测单元系列。沿用岛津气相色谱系统一贯的整体风格,通用性更强,非常适合日常的检测工作,操作者熟悉起来更为轻松快捷。
进样系统
检测器
Applications 分析应用实例
GC Smart拥有优异的指标、稳定的性能、优良的品质以及简便的操作,保证其在食品安全、生物医药、环境监测、石油化工等诸多领域的分析检测中呈现出令人满意的结果。
白酒分析
我国的白酒,有着悠久的历史和独特的酿造技术。白酒中的香味组分是白酒酿造和勾兑过程当中的重要指标,决定着白酒的香型。在我国的白酒制造行业中基本上都是采用气相色谱法来测定其中的香味成分及其含量的。
塑化剂分析
邻苯二甲酸酯类化合物是目前使用量很大的一类塑化剂,在水中溶解度很小,易溶于多数有机溶剂,具有稳定性高、容易获取、成本低廉等特性。随着饮料、方便食品以及药物中不断被曝出塑化剂超标事件,对此类化合物的检测也日趋严格。
上一篇GC-2014气相色谱仪
企业名称:
西安捷森科学发展有限公司
热线电话:
029-81129301、029-81129311
公司地址:
西安市锦业一路10号中投国际B座22层
电子邮箱:
s-future@s-future.net
扫码关注我们
Copyright © 2010-2026 西安捷森科学发展有限公司 版权所有 陕ICP备16006653号-1 技术支持:中企网络科技 sitemap.xml